Clock-Skew Based Temperature Sensor
eldoLED Inc. - Spring 2009
This work-term project was a preliminary investigation into the feasibility and accuracy of using a microprocessor's built-in 32kHz clock as a crude temperature sensor. Typically, these low-cost, low-accuracy internal clocks use an RC oscillator design. This design is particularly sensitive to changes in operating temperature, which affects the frequency of the generated clock signal. As circuit board space is always at a premium, this normally undesirable side-effect could be exploited to avoid the use of an external temperature sensor component, thus saving money and space on the final product.
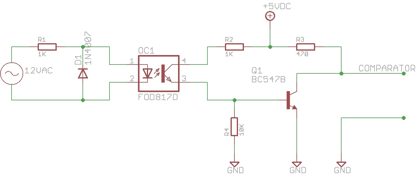
I worked on this project independently: designing, fabricating, and integrating all of the required components. My design used standard North American 120VAC wall power as a reference. This way, as the internal clock frequency shifts over temperature, the 60Hz AC supply reference will remain approximately constant which allows for a difference to be calculated. This difference can then be modelled across a temperature range in order to provide an estimate of the microcontroller's operating temperature.
Overall the investigation yielded interesting results - one can very crudely estimate temperature using a microprocessor's 32kHz clock. However, the number of external components required to bring in the reference signal may not make it an appealing alternative to a single external temperature sensor with greater accuracy. For more details, see my complete report.
Photos
Schematics
Technologies & Skills Employed
- PIC microcontroller programming
- AC rectifier circuitry design
- Comparator manipulation
- LCD display interfacing
Awards & Recognition
- Selected for Case Study - Waterloo Case in Design Engineering - Spring 2010
- Rockwell Automation Canada Inc. Award - University of Waterloo - Fall 2009